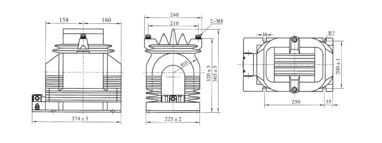
Máy biến thế tiềm năng PT
Máy biến thế tiềm năng Pt điện từ 25 Kv
  • Máy biến thế tiềm năng Pt điện từ 25 KvMáy biến thế tiềm năng Pt điện từ 25 Kv

Máy biến thế tiềm năng Pt điện từ 25 Kv

Công ty TNHH Thiết bị điện Ôn Châu XiFa có hơn 10 năm kinh nghiệm sản xuất máy biến thế điện thế nhựa epoxy và máy biến dòng điện, chẳng hạn như máy biến thế điện từ pt dụng cụ 25 kv. Máy biến thế tiềm năng 25kv dành cho điện áp lưới khu vực cụ thể, chẳng hạn như Bắc Mỹ và một số nước Mỹ. Mặc dù nó được dán nhãn là máy biến thế điện từ pt dụng cụ 25kv, nhưng tiêu chuẩn được áp dụng là 24kv. Công ty TNHH Thiết bị điện Ôn Châu XiFa có nhiều giải pháp thiết kế hoàn thiện về độ chính xác, cách điện và độ bền cơ học để đạt được máy biến thế điện từ pt dụng cụ 25 kv có tuổi thọ dài hơn.

Lời khuyên sau khi mua mộtmáy biến thế tiềm năng:

1.Trước khi vận hành thử, máy biến thế tiềm năng pt điện từ 25 kv phải trải qua tất cả các thử nghiệm và kiểm tra theo yêu cầu của các tiêu chuẩn và quy trình liên quan. Chúng thường bao gồm kiểm tra điện môi AC, kiểm tra điện trở cách điện, kiểm tra tỷ lệ và kiểm tra trực quan.

2. Việc nối dây thích hợp của máy biến thế điện từ pt 25 kv là điều cần thiết. Cuộn dây sơ cấp phải được nối song song với mạch đo, còn cuộn thứ cấp phải được nối song song với cuộn dây điện áp của các dụng cụ đo, rơle bảo vệ hoặc các thiết bị tự động. Trong khi đó, phải chú ý duy trì độ phân cực chính xác.

3. Tải kết nối với máy biến thế thứ cấp 25 kv phải nằm trong công suất định mức. Việc vượt quá tải thứ cấp định mức có thể làm tăng sai số đo, thậm chí ảnh hưởng đến độ chính xác của kết quả đo.

4. Nghiêm cấm đoản mạch thứ cấp máy biến thế tiềm năng 25 kv. Do PT có trở kháng bên trong rất thấp nên đoản mạch thứ cấp có thể tạo ra dòng điện cực cao, có khả năng làm hỏng thiết bị thứ cấp và gây nguy hiểm nghiêm trọng về an toàn. Để ngăn chặn những hư hỏng như vậy, cần phải lắp cầu chì trên thiết bị phụ PT. Nếu khả thi, cũng nên sử dụng cầu chì phía sơ cấp để bảo vệ mạng điện áp cao trong trường hợp có sự cố ở cuộn sơ cấp hoặc dây dẫn.

5. Để đảm bảo an toàn cho người xử lý dụng cụ đo hoặc rơle, cuộn dây thứ cấp PT phải được nối đất tại một điểm. Nó có thể ngăn chặn sự an toàn cá nhân khỏi điện áp cao xuất hiện trong các thiết bị và rơle khi lớp cách điện giữa cuộn dây sơ cấp và thứ cấp sau khi nối đất bị hỏng.

6. Trong mọi trường hợp, mạch thứ cấp PT không được phép đoản mạch.

25 Kv Instrument Electromagnetic Pt Potential Transformer

Thông số kỹ thuật:

Kiểu Tỷ số điện áp định mức (kV) Lớp chính xác Cấp chính xác và công suất định mức cosΦ=0,8 Tối đa. Đầu ra (VA)
0.2 0.5 3(P)
JDZ11-15 15/0,1 0,2 0,5 1 30 80 150 600
JDZ11-20 20/0,1
JDZ11-15 15/0,1/0,1 0,2/0,2 0,2/0,5 0,5/0,5 20 30 không áp dụng 2*300
JDZ11-20 20/0.1/0.1
JDZ11-15 15/0,1/0,22 0,2/3P 0,5/3P 30 60 100 500
JDZ11-20 20/0.1/0.22

25 Kv Instrument Electromagnetic Pt Potential Transformer

Câu hỏi thường gặp về sản phẩm:

Câu hỏi: Định mức điện áp thứ cấp tiêu chuẩn cho thiết bị điện từ 25 kV là bao nhiêu?pt biến thế tiềm năng?

Trả lời: Điện áp thứ cấp tiêu chuẩn cho máy biến điện thế pt điện từ dụng cụ 25 kV thường là 110 V. Tiêu chuẩn hóa này đảm bảo khả năng tương thích với thiết bị đo sáng và bảo vệ, cho phép đo điện áp chính xác và vận hành an toàn trong hệ thống điện.


Câu hỏi: Máy biến điện thế pt điện từ dụng cụ 25 kV có thể hoạt động liên tục ở mức 115% điện áp định mức không?

Trả lời: Có, máy biến thế tiềm năng 25 kV có thể hoạt động liên tục ở 115% điện áp định mức, miễn là tải thứ cấp không vượt quá định mức nhiệt của máy biến áp. Khả năng này cho phép xảy ra tình trạng quá điện áp tạm thời mà không ảnh hưởng đến tính toàn vẹn của PT.


Câu hỏi: Lớp cách điện điển hình cho máy biến điện thế pt điện từ dụng cụ 25 kV là gì?

Trả lời: Máy biến thế tiềm năng 25 kV thường có lớp cách điện cho phép nó chịu được điện áp lên đến 25 kV. Hệ thống cách nhiệt được thiết kế để xử lý các ứng suất điện gặp phải trong điều kiện bình thường và khi có sự cố, đảm bảo vận hành đáng tin cậy và an toàn.





Thẻ nóng: Nhà sản xuất máy biến thế tiềm năng Pt điện từ 25 Kv, Nhà cung cấp máy biến thế tiềm năng PT điện từ, Bán buôn máy biến thế tiềm năng PT dụng cụ
Gửi yêu cầu
Thông tin liên lạc
  • Địa chỉ

    Số 391, đường Jingqi, Khu công nghiệp Yanpan, thành phố Nhạc Thanh, tỉnh Chiết Giang, Trung Quốc

  • điện thoại

    +86-577-62731111

Để nhận được báo giá của bạn càng sớm càng tốt

XiFa-nhà cung cấp thiết bị điện đáng tin cậy của bạn
X
Chúng tôi sử dụng cookie để cung cấp cho bạn trải nghiệm duyệt web tốt hơn, phân tích lưu lượng truy cập trang web và cá nhân hóa nội dung. Bằng cách sử dụng trang web này, bạn đồng ý với việc chúng tôi sử dụng cookie. Chính sách bảo mật
Từ chối Chấp nhận