Máy biến thế tiềm năng PT
Máy biến thế tiềm năng một pha điện áp cao 33kv
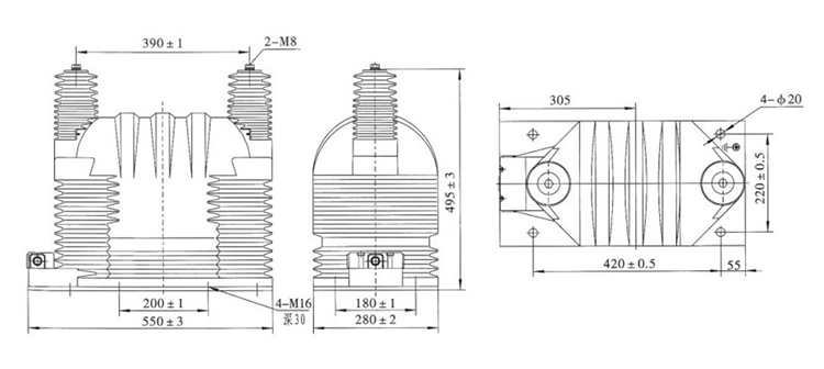
  • Máy biến thế tiềm năng một pha điện áp cao 33kvMáy biến thế tiềm năng một pha điện áp cao 33kv

Máy biến thế tiềm năng một pha điện áp cao 33kv

Ôn Châu XiFa Electric Power Equipment Co., Ltd là nhà sản xuất có kinh nghiệm sản xuất máy biến áp tiềm năng một pha điện áp cao 33kv và máy biến dòng. Ôn Châu XiFa sử dụng nhựa chất lượng cao để đạt được hiệu suất cách nhiệt tốt hơn, chẳng hạn như hoạt động lâu dài dưới điện áp cao mà không bị hỏng hoặc phóng điện một phần. Mỗi máy biến thế tiềm năng một pha điện áp cao 33kv là cần thiết để đúc nhựa epoxy trong điều kiện chân không để đạt được tuổi thọ dài hơn đến 20 hoặc 30 năm. Trước khi giao hàng, các thông số kỹ thuật cơ bản cần được đo lường như điện áp chịu được tần số nguồn, phóng điện cục bộ, điện trở cách điện, độ chính xác, độ phân cực và độ tăng nhiệt độ.

Tính năng sản phẩm:

1. Về mặt cấu trúc, máy biến thế tiềm năng một pha điện áp cao 33kv có thể được coi là máy biến áp điện hạ thế có công suất nhỏ và tỷ lệ cao. Tuy nhiên, không giống như máy biến áp điện,  mộtmáy biến thế tiềm năngkhông truyền năng lượng để cung cấp cho tải. Thay vào đó, nó đóng vai trò quan trọng trong việc đo lường và bảo vệ.

2. Mạch thứ cấp được nối với các dụng cụ đo, rơle bảo vệ và các thiết bị tự động trong đó cuộn dây điện áp có trở kháng cực cao và về cơ bản không đổi. Kết quả là dòng điện thứ cấp ở mức tối thiểu, tương tự như điều kiện không tải của máy biến áp điện. Mức tiêu thụ điện của máy biến thế tiềm năng một pha điện áp cao 33kv là cực kỳ thấp và điện áp thứ cấp thực tế vẫn bằng EMF cảm ứng, được xác định bởi điện áp sơ cấp không đổi. Nó đảm bảo mức độ chính xác cần thiết để đo điện áp.

3. Cuộn dây thứ cấp của máy biến thế không bao giờ được phép đoản mạch. Trong điều kiện hoạt động bình thường, phụ tải của máy biến thế tiềm năng một pha điện áp cao 33kv là thiết bị có trở kháng cao, nhưng nếu xảy ra đoản mạch thì yếu tố hạn chế duy nhất là trở kháng của cuộn dây. Điều này có thể dẫn đến dòng điện ngắn mạch quá cao, khiến số đo của đồng hồ đo không chính xác, hoạt động của rơle sai hoặc thậm chí làm hỏng máy biến áp vĩnh viễn.

4. Đầu cực của cả cuộn dây thứ cấp và cuộn dây thứ tự 0 phải được nối đất. Nếu không nối đất, lỗi trên hệ thống sơ cấp có thể tạo ra điện áp cao nguy hiểm trên các cuộn dây này, gây ra rủi ro nghiêm trọng cho các thiết bị được kết nối, rơle và sự an toàn của nhân viên.

33kv High Voltage Single Phase Potential Transformer

Thông số kỹ thuật:

Kiểu Tỷ số điện áp định mức (kV) Lớp chính xác Cấp chính xác và công suất định mức cosΦ=0,8 Tối đa. Đầu ra (VA)
0.2 0.5 1 3
JDZ9-35Q 35/0,1 0,2 0,5 1 3 30 120 240 600 1200
35/0,1/0,1 0,2/0,2(0,5) 30 30 không áp dụng không áp dụng 600
0,5/0,5 không áp dụng 60

33kv High Voltage Single Phase Potential Transformer

Câu hỏi thường gặp về sản phẩm:

Hỏi: Tải trọng định mức của máy biến thế tiềm năng một pha điện áp cao 33kv là bao nhiêu?

Đáp: Tải định mức thường dao động từ 25 VA đến 200 VA tùy thuộc vào ứng dụng. Nó đảm bảo độ chính xác ổn định cho các dụng cụ đo và rơle bảo vệ mà không làm quá tải máy biến áp.


Hỏi: Máy biến thế một pha điện áp cao 33kv được nối đất như thế nào?

Trả lời: Cuộn dây thứ cấp thường được nối đất tại một điểm để duy trì điện thế tham chiếu và đảm bảo an toàn. nó giúp tránh điện áp nổi và giảm nguy cơ hỏng cách điện.


Hỏi: Có thể kết nối PT một pha để đo ba pha không?

Đ: Tất nhiên. Đối với hệ thống ba pha, ba PT một pha có thể được kết nối theo kiểu sắp xếp sao hoặc tam giác mở, điều này phụ thuộc vào việc có cần theo dõi điện áp toàn pha với pha và pha với đất hay không.




Thẻ nóng: Nhà cung cấp máy biến áp tiềm năng một pha điện áp cao 33kv, Bán buôn máy biến áp một pha điện áp cao, Nhà sản xuất máy biến áp tiềm năng công nghiệp
Gửi yêu cầu
Thông tin liên lạc
  • Địa chỉ

    Số 391, đường Jingqi, Khu công nghiệp Yanpan, thành phố Nhạc Thanh, tỉnh Chiết Giang, Trung Quốc

  • điện thoại

    +86-577-62731111

Để nhận được báo giá của bạn càng sớm càng tốt

XiFa-nhà cung cấp thiết bị điện đáng tin cậy của bạn
X
Chúng tôi sử dụng cookie để cung cấp cho bạn trải nghiệm duyệt web tốt hơn, phân tích lưu lượng truy cập trang web và cá nhân hóa nội dung. Bằng cách sử dụng trang web này, bạn đồng ý với việc chúng tôi sử dụng cookie. Chính sách bảo mật
Từ chối Chấp nhận